NB
SMSF16 16mm boccole di scorrimento Cuscinetto lineare di movimento in miniatura
Titolo
Prezzo normale
$99.99
Prezzo di vendita$200.00risparmiate $100,01
SKU: Kit20067
UPC: 00193019115749
UPC: 00193019115749
Item: SMSF16 Bearing
Type: Linear Miniature Slide Bush
Bearing Inner Diameter: 16mm
Retainer Material: Steel
Quantity: One Bearing
Type: Linear Miniature Slide Bush
Bearing Inner Diameter: 16mm
Retainer Material: Steel
Quantity: One Bearing
| SMSF16 Flangia rotonda Anticorrosione Tipo: Bussola di scorrimento miniaturizzata Made in JapanNB Linear Systems NipponNippon Bearing Miniature Linear Systems |
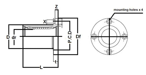
Boccola Linear Slide miniaturizzata anticorrosione della flangia rotonda SMSF16, Il retainer material è acciaio, series utilizzata principalmente negli USA, marca NBNippon Bearing sistemi lineariNippon Bearing ), prodotta in Giappone.
|
| Major Dimensions | ||||||||
|---|---|---|---|---|---|---|---|---|
| dr | D | L | Df | t | P.C.D | X x x | ||
| mm | tolerance | mm | tolerance | |||||
| 16 | 0-9 | 28 | 0-16 | 37 | 48 | 6 | 38 | 4,5 x ,5 x ,1 |
Condividi