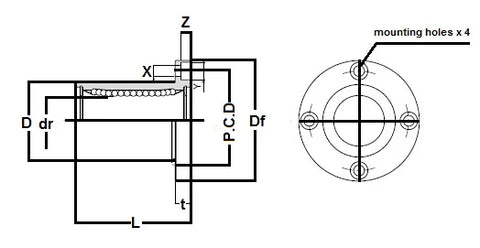
SMSF10UU 10mm Slide Bush Bushings Miniature Motion Linear Bearing designed for smooth motion and stable alignment in automation and mechanical systems, 1-pack for long service life

Prezzo normale $88.88 Prezzo di vendita$200.00Risparmiate 111,12 dollari
SKU: Kit20090
UPC: 00193019115978
Item: SMSF10UU Bearing
Type: Linear Miniature Slide Bush
Retainer Material: Steel
Bearing Inner Diameter: 10mm
Quantity: One Bearing

SMSF10UU 10mm Slide Bush Bushings Miniature Motion Linear Bearing made for smooth installs and
✔️ SMSF10UU 10mm Slide Bush Bushings Miniature Motion Linear Bearing

This 1 pack is designed for clean replacement and smooth mechanical operation.

✅ Pack size: 1
✅ Smooth motion for mechanical assemblies
✅ Stable fit to reduce play and vibration
✅ Made for repeated use in motion systems
✅ Works for upgrades or direct replacements

💡 How do you reduce vibration in long travel linear motion systems?
Quick answer: match pitch, load, and support style to your machine setup.
* Pitch controls feed speed and motor load
* End supports keep alignment stable under load
* Proper lubrication reduces heat and wear

Built to help maintain accuracy and smooth movement in working systems.