NB
SMF6GUU 6mm Slide Bush Ball Bushings Linear Miniature Motion Bearing
Titolo
Prezzo normale
$39.99
Prezzo di vendita$80.00risparmiate 40,01 dollari
SKU: Kit19912
UPC: 00193019115022
UPC: 00193019115022
Item: SMF6GUU Bearing
Type: Linear Miniature Slide Bush
Retainer Material: Resin
Quantity: One Bearing
Dynamic load rating Cr: 206 N
Type: Linear Miniature Slide Bush
Retainer Material: Resin
Quantity: One Bearing
Dynamic load rating Cr: 206 N
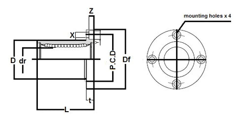
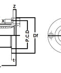
| SMF6GUU Flange Type tonda Flange Type: bussola di scorrimento miniaturizzata Made in Japan: NB Linear Systems NipponNippon Bearing Miniature Linear Systems |
Boccola Linear Slide miniaturizzata rotonda SMF6GUU , il retainer material è resina, il cuscinetto è seals su entrambi, series utilizzata principalmente negli USA, marchio NBNippon Bearing Linear Systems), prodotto in Giappone.
|
| Major Dimensions | ||||||||
|---|---|---|---|---|---|---|---|---|
| dr | D | L | Df | t | P.C.D | X x x | ||
| mm | tolerance | mm | tolerance | |||||
| 6 | 0-9 | 12 | 0-13 | 19 | 28 | 5 | 20 | 3,5 x x ,1 |
Condividi