NB
SMF6G 6mm Slide Bush Ball Bushings Miniature Linear Motion Bearing
Titolo
Prezzo normale
$29.99
Prezzo di vendita$46.00risparmiate $16,01
SKU: Kit19899
UPC: 00193019114896
UPC: 00193019114896
Item: SMF6G Bearing
Type: Linear Miniature Slide Bush
Retainer Material: Resin
Quantity: One Bearing
Dynamic load rating Cr: 206 N
Type: Linear Miniature Slide Bush
Retainer Material: Resin
Quantity: One Bearing
Dynamic load rating Cr: 206 N
| SMF6G Flange Type tonda Flange Type: Bussola di scorrimento miniaturizzata Made in JapanNB Linear Systems NipponNippon Bearing Miniature Linear Systems |
SMF6G Round Miniature Linear Slide Bush, The retainer material is Resin, series mainly used in the USA, NB brand (Nippon Bearing Linear Systems), Made in Japan.
|
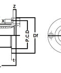
| Major Dimensions | ||||||||
|---|---|---|---|---|---|---|---|---|
| dr | D | L | Df | t | P.C.D | X x x | ||
| mm | tolerance | mm | tolerance | |||||
| 6 | 0-9 | 12 | 0-13 | 19 | 28 | 5 | 20 | 3,5 x x ,1 |
Condividi