NB
SMF60GUU 60 mm Slide Bush Boccole Movimento Cuscinetto Lineare
Titolo
Prezzo normale
$331.99
Prezzo di vendita$508.00risparmiate $176,01
SKU: Kit19924
UPC: 00193019115145
UPC: 00193019115145
Item: SMF60GUU Bearing
Type: Linear Slide Bush
Retainer Material: Resin
Quantity: One Bearing
Dynamic load rating Cr: 4700 N
Type: Linear Slide Bush
Retainer Material: Resin
Quantity: One Bearing
Dynamic load rating Cr: 4700 N
| SMF60GUU Boccola Flange Type SMF60GUU Prodotto in Giappone: NB Linear Systems Nippon Bearing Systems |
Linear Slide SMF60GUU , retainer material resina, cuscinetto con seals entrambi i lati, series utilizzata series negli Stati Uniti, marchio NB (Nippon Bearing Systems), prodotta in Giappone.
|
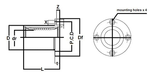
| Major Dimensions | ||||||||
|---|---|---|---|---|---|---|---|---|
| dr | D | L | Df | t | P.C.D | X x x | ||
| mm | tolerance | mm | tolerance | |||||
| 60 | 0-15 | 90 | 0-25 | 140 | 134 | 18 | 112 | 11 x x ,1 |
Condividi