SMF30GUU 30mm Slide Bush Miniature Bushings Motion Linear Bearing designed for smooth motion and stable alignment in automation and mechanical systems, 1-pack for long service life

Prezzo normale $120.00 Prezzo di vendita$250.00risparmiate $130,00
SKU: Kit19920
UPC: 00193019115107
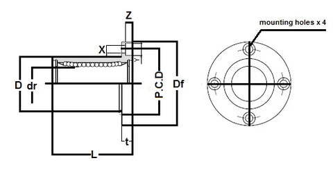
Item: SMF30GUU Bearing
Type: Linear Slide Bush
Retainer Material: Resin
Quantity: One Bearing
Dynamic load rating Cr: 1570 N

SMF30GUU 30mm Slide Bush Miniature Bushings Motion Linear Bearing made for smooth installs and
✔️ SMF30GUU 30mm Slide Bush Miniature Bushings Motion Linear Bearing

Questa confezione da 1 pezzo è pensata per una sostituzione pulita e un funzionamento meccanico fluido.

✅ Pack size:
✅ Movimento fluido per i gruppi meccanici
✅ Accoppiamento stabile per ridurre il gioco e le vibrazioni
✅ Realizzato per un uso ripetuto nei sistemi di movimento
✅ Adatto per aggiornamenti o sostituzioni dirette

💡 In che modo il passo della vite influisce sulla velocità di avanzamento e sulla coppia nelle CNC ?
Risposta rapida: adegua il passo, il carico e il tipo di supporto alla configurazione della tua macchina.
* Il passo determina la velocità di avanzamento e il carico sul motore
* I supporti terminali mantengono stabile l'allineamento sotto carico
* Una corretta lubrificazione riduce il calore e l'usura

Progettato per aiutare a mantenere la precisione e la fluidità dei movimenti nei sistemi operativi.