NB
SMF20GUU 20mm Slide Bush Miniature Bushings Motion Linear Bearing
Titolo
Prezzo normale
$59.99
Prezzo di vendita$100.00risparmiate 40,01 dollari
SKU: Kit19918
UPC: 00193019115084
UPC: 00193019115084
Item: SMF20GUU Bearing
Type: Linear Miniature Slide Bush
Retainer Material: Resin
Quantity: One Bearing
Dynamic load rating Cr: 882 N
Type: Linear Miniature Slide Bush
Retainer Material: Resin
Quantity: One Bearing
Dynamic load rating Cr: 882 N
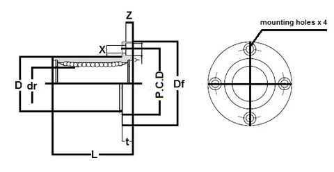
| SMF20GUU Flange Type rotonda Flange Type: bussola di scorrimento miniaturizzata Made in JapanNB Linear Systems NipponNippon Bearing Miniature Linear Systems |
SMF20GUU Linear Slide miniaturizzata SMF20GUU , il retainer material in resina, il cuscinetto è seals entrambi i lati, series utilizzata series negli Stati Uniti, marchio NB (Nippon Bearing Systems), prodotta in Giappone.
|
| Major Dimensions | ||||||||
|---|---|---|---|---|---|---|---|---|
| dr | D | L | Df | t | P.C.D | X x x | ||
| mm | tolerance | mm | tolerance | |||||
| 20 | 0-10 | 32 | 0-19 | 42 | 54 | 8 | 43 | 5,5 x x ,1 |
Condividi