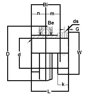
HC204-12 bearing insert with eccentric locking collar for 3/4 inch shafts delivers reliable mounting and easy maintenance, featuring a wide inner ring, spherical outer race, relubrication groove, and an oil hole on the set screw side for lubrication
UPC: 00193019268162
Type: Bearing Insert
Shaft Diameter: 3/4" Inch
Dynamic Load Rating: 12900 N
Static Load Rating: 6270 N
✔️ 3/4 in shaft, eccentric collar, standard load, R-Seal, 1 pc
This bearing insert uses an eccentric locking collar to secure a shaft in a housing and is commonly used in conveyors, gearboxes, and woodworking equipment where quick mounting and reliable alignment matter.
✅ Shaft bore 3/4 in (19.05 mm)
✅ Dynamic load rating: 12900 N
✅ Static load rating: 6270 N
✅ Wide inner ring with spherical outer ring
✅ Relubrication groove and oil hole on set screw side
✅ Oil hole opposite groove, interchangeable with multiple manufacturers
✅ Nylon patched class 3A set screw
✅ R-Seal standard seal
💡 What is an eccentric collar bearing insert used for in mounted bearings? This handy piece locks the bearing to the shaft and keeps it aligned for smooth operation. - shaft mounting with locking collar - standard load capacity with sealed protection - relubrication groove aids maintenance
Recensioni dei clienti
Good service. Fast ship.