VXB
GER205-16 Inserto per cuscinetti GRIP-IT 360 gradi 1
Titolo
Prezzo normale
$108.00
Prezzo di vendita$220.00risparmiate $112,00
SKU: Kit19312
UPC: 00193019270790
UPC: 00193019270790
Item: GER205-16 Bearing
Type: Bearing Insert
Shaft Diameter: 1" Inch
Dynamic Load Rating: 14011 N
Static Load Rating: 7162 N
Type: Bearing Insert
Shaft Diameter: 1" Inch
Dynamic Load Rating: 14011 N
Static Load Rating: 7162 N
| Questo articolo sarà spedito entro una settimana I resi sono soggetti a una tassa di ripopolamento del 15%. |
|
GER205-16 Inserto per cuscinetti GRIP-IT bloccaggio a 360 gradi Set di viti di bloccaggio Inner Diameter da 1" Inch |
Cuscinetto GER205-16 con inserto GRIP-IT con bloccaggio a 360 gradi, cuscinetto con capacità di carico standard, anello interno largo con anello esterno cilindrico e anello elastico, scanalatura di rilubrificazione con foro per l'olio sul lato opposto al callar di bloccaggio, anelli interni ed esterni placcati in ossido nero, vite di arresto in nylon di classe 3A, guarnizione standard R-seal.
|
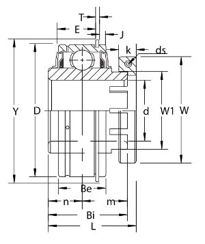
| Dimensions Inches) | |||||||||||||
|---|---|---|---|---|---|---|---|---|---|---|---|---|---|
| D | Bi | Be | L | n | m | E | W1 | J | T | Y | K | W | ds (filettatura UNFThread) |
| 2-3/64" | 1-7/32" | 3/4" | 1-1/2" | 9/16" | 51/64" | 39/64" | 1-21/64" | 7/64" | 3/64" | 2-9/32" | 3/8" | 1-15/16" | 8-32x5/8 |
Condividi