VXB

FHSPW202-10 Cuscinetto duttile a blocco di cuscino 5/8

Prezzo normale $65.00 Prezzo di vendita$130.00risparmiate $65,00
SKU: Kit18285
UPC: 00193019261736
Item: FHSPW202-10 Bearing
Type: Pillow Block Cast Iron Light Duty
Shaft Diameter: 5/8" inch
Bolt Size: 3/8" inch
Bearing No: FHS202-10
Questo articolo sarà spedito entro una settimana
I resi sono soggetti a una tassa di ripopolamento del 15%.


FHSPW202-10 Cuscinetto a sfere duttile a blocco cuscinetto duttile per impieghi leggeri
Inner Diameter 5/8


FHSPW202-10 Cuscinetto a sfera duttile per impieghi leggeri, il cuscinetto ha una struttura solida dell'alloggiamento del piede, il cuscinetto ha un anello interno stretto, il cuscinetto è un'unità non lubrificabile, la tenuta standard è RST a tenuta stagna, copertura completa, seals del mantello in metallo.

  • Cuscinetto FHSPW202-10
  • Blocchetto di cuscini in ghisa per impieghi leggeri
  • Diameter: dell'albero Diameter: 5/8" inch
  • Size: bullone Size: 3/8" inch
  • No: cuscinetto No: FHS202-10
  • No: custodia: HA
  • Quantity: 1 cuscinetto
  • Cuscinetto a sfera


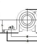
Dimensions inches)
h a e b s1 s2 g w Bi n
1-3/16" 4-7/16" 3-7/16" 1" 7/16" 5/8" 11/32" 2-5/32" 57/64" 0.256"