VXB

FHSPW201-8G Cuscinetto a blocco cuscinetto duttile 1/2

Prezzo normale $70.00 Prezzo di vendita$140.00risparmiate $70,00
SKU: Kit18283
UPC: 00193019261712
Item: FHSPW201-8G Bearing
Type: Pillow Block Cast Iron Light Duty
Shaft Diameter: 1/2" inch
Bolt Size: 3/8" inch
Bearing No: FHS201-8G
Questo articolo sarà spedito entro una settimana
I resi sono soggetti a una tassa di ripopolamento del 15%.


FHSPW201-8G Cuscinetto a sfere duttile a blocco cuscinetto duttile per impieghi leggeri
Inner Diameter 1/2"


Cuscinetto a sfera duttile per impieghi leggeri di FHSPW201-8G del blocchetto di cuscino, il cuscinetto è progettazione solida dell'alloggio del piede, il cuscinetto ha anello interno stretto, il cuscinetto è unità relubricable, la guarnizione standard è guida stretta di RST, copertura completa, seals del sudario del metallo.

  • Cuscinetto FHSPW201-8G
  • Blocchetto di cuscini in ghisa per impieghi leggeri
  • Diameter: dell'albero Diameter: 1/2" inch
  • Size: bullone Size: 3/8" inch
  • Cuscinetto No: FHS201-8G
  • No: custodia: HA
  • Quantity: 1 cuscinetto
  • Cuscinetto a sfera


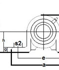
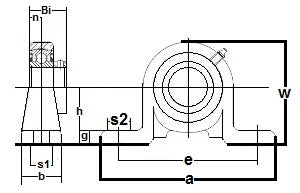
Dimensions inches)
h a e b s1 s2 g w Bi n
1-3/16" 4-7/16" 3-7/16" 1" 7/16" 5/8" 11/32" 2-5/32" 57/64" 0.256"