VXB
FHPW205-15G Blocco cuscinetto in ghisa 15/16" inch
Titolo
Prezzo normale
$88.88
Prezzo di vendita$200.00Risparmiate 111,12 dollari
SKU: Kit18324
UPC: 00193019262030
UPC: 00193019262030
Item: FHPW205-15G Bearing
Type: Pillow Block Cast Iron Light Duty
Shaft Diameter: 7/8" Inch
Bolt Size: 3/8" inch
Bearing No: FH205-15G
Type: Pillow Block Cast Iron Light Duty
Shaft Diameter: 7/8" Inch
Bolt Size: 3/8" inch
Bearing No: FH205-15G
| Questo articolo sarà spedito entro una settimana I resi sono soggetti a una tassa di ripopolamento del 15%. |
|
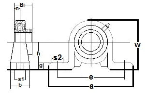
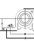
FHPW205-15G Pillow Block Ductile Light Duty Ball Bearing Eccentric Locking Collar 7/8" Inch Inner Diameter |
FHPW205-15G Pillow Block Ductile Light Duty Ball Bearing, Bearing is solid foot housing design, bearing has Narrow inner ring, bearing is relubricatable unit, Standard seal is RST tight riding, full cover, metal shroud seals.
|
| Dimensions Inches) | ||||||||||||
|---|---|---|---|---|---|---|---|---|---|---|---|---|
| h | a | e | b | s1 | s2 | g | w | L | n | m | i | W |
| 1-7/16" | 5" | 3-15/16" | 1-1/8" | 7/16" | 5/8" | 13/32" | 2-11/16" | 1-7/32" | 19/64" | 35/64" | 3/8" | 1-1/4" |
Condividi