VXB
Cuscinetto a flangia 12mm KFL001 Cuscinetto montato a blocco cuscinetto miniaturizzato
UPC: 00193019008126
Type: Flange Miniature Pillow Block Mounted Bearing
Bolt Size: M6
Bearing No: K001
Housing No: FL001
KFL001 flangia cuscinetto a blocco cuscino miniaturizzato 12mm
✔️ Alloggiamento FL001 Zinc con inserto cuscinetto K001
Questo singolo blocco cuscino miniaturizzato KFL001 è un pratico supporto per alberi leggeri in stampanti 3D , piccole macchine, robotica e assemblaggi di movimento fai-da-te. Utilizza un alloggiamento della flangia FL001 zinc con un cuscinetto a inserti con foro di 12mm per una rotazione fluida e supportata.
✅ Type: cuscinetto a blocco cuscino miniaturizzato flangiato
✅ material: dell'alloggiamento material: lega dizinc
✅ Inserto del cuscinetto: K001
✅ Inner diameter: 12mm
✅ size: bullone size: M6
✅ Carico dinamico: 4606 N
✅ Carico statico: 1906 N
✅ Pack size: 1 cuscinetto
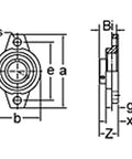
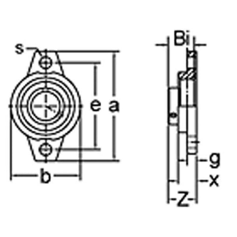
Tabella delle Dimensions mm):
| Caratteristica | Valore |
|---|---|
| Forod) | 12 |
| A | 63 |
| E | 48 |
| I | 5.5 |
| G | 5.5 |
| B | 11.5 |
| S | 7 |
| D | 36 |
| Z | 15.5 |
| L | 14 |
| N | 4 |
💡 Perché utilizzare i cuscinetti a blocco di cuscino in miniatura nei sistemi di movimento di piccole dimensioni?
Supportano gli alberi mantenendo costante l'allineamento.
-
Il design della flangia facilita il montaggio su superfici piane
-
L'alloggiamento Zinc è leggero ma rigido
-
Il cuscinetto a inserti mantiene la rotazione regolare sotto i carichi quotidiani
Un supporto pulito e compatto che consente alle piccole costruzioni meccaniche di funzionare in modo più fluido e di rimanere allineate.
Recensioni dei clienti
Sono stato molto soddisfatto del prodotto ricevuto. Era di buona qualità. Il servizio è stato eccellente. Raccomanderei VBX come fornitore.
La pista esterna e quella interna non sono strette, hanno un gioco di uno-due mm Non sono sicuro che sia uno standard o meno.