VXB
UCPH210-31 1 15/16" Rodamiento montado en bloque de cojinete
Título
Precio normal
$59.99
Precio de venta$100.00usted ahorra $40.01
SKU: UCPH210-31
UPC: 00193019333549
UPC: 00193019333549
Item: UCPH210-31 Bearing
Type: high centerheight pillow unit
Bolt Size: 5/8
Basic Load (Cr): 35.1 KN
Basic Load (Cor): 23.3 KN
Type: high centerheight pillow unit
Bolt Size: 5/8
Basic Load (Cr): 35.1 KN
Basic Load (Cor): 23.3 KN
| UCPH210-31 Bearing Pillow Block Bearing Cylindrical bore (with set screws) 1-15/16" Inner Diameter Bearing |
|
Esta unidad es de tipo almohada y tiene una gran resistencia a las cargas de impacto. Es un conveniente para la maquinaria donde se requieren mayores alturas de la base al centro.aplicaciones son maquinaria de impresión y spinneret.
|
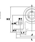
| Dimensions Inches) | |||||||||||
|---|---|---|---|---|---|---|---|---|---|---|---|
| d | H | L | A | J | N | N1 | H1 | H2 | L1 | B | S |
| 1-15/16" | 4-21/64" | 8-1/8" | 2-3/4" | 6-1/4" | 25/32" | 7/8" | 7/8" | 6-1/2" | 2-9/16" | 2.031" | 0.748" |
Compartir