VXB
UCPH208-25 Rodamiento de 1 9/16" montado en bloque de almohadilla
Título
Precio normal
$49.99
Precio de venta$76.00usted ahorra $26.01
SKU: UCPH208-25
UPC: 00193019333471
UPC: 00193019333471
Item: UCPH208-25 Bearing
Type: high centerheight pillow unit
Bolt Size: 1/2
Basic Load (Cr): 29.1 KN
Basic Load (Cor): 17.8 KN
Type: high centerheight pillow unit
Bolt Size: 1/2
Basic Load (Cr): 29.1 KN
Basic Load (Cor): 17.8 KN
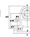
| UCPH208-25 Rodamiento Rodamiento de pie Agujero cilíndrico (con tornillos de fijación) Rodamiento de 1-9/16" de Inner Diameter |
|
Esta unidad es de tipo almohada y tiene una gran resistencia a las cargas de impacto. Es un conveniente para la maquinaria donde se requieren mayores alturas de la base al centro.aplicaciones son maquinaria de impresión y spinneret.
|
| Dimensions Inches) | |||||||||||
|---|---|---|---|---|---|---|---|---|---|---|---|
| d | H | L | A | J | N | N1 | H1 | H2 | L1 | B | S |
| 19/16" | 3-15/16" | 7-1/4" | 2-3/4" | 5-13/32" | 21/32" | 13/16" | 25/32" | 5-29/32" | 2-1/4" | 1.937" | 0.748" |
Compartir