VXB

UCFB207 Rodamiento 35mmRodamiento con brida de tres tornillos

Precio normal $39.99 Precio de venta$61.00usted ahorra $21.01
SKU: Kit13752
UPC: 00193019213179
Item: UCFB207 Bearing
Type: Flanged Mounted Bearing
Shaft Diameter: 35mm
Bolt Size: M8
Bearing No: UC207
UCFB207 Rodamiento con brida de tres tornillos
35mm Inner Diameter


UCFB207 Rodamiento Montado con Brida de Tres Tornillos, Inner Diameter 35mm.

  • Rodamiento UCFB207
  • Rodamiento montado con brida
  • Diameter: del eje Diameter: 35mm
  • Size: del tornillo Size: M8
  • No: rodamiento No: UC207
  • No: Carcasa No: FB207
  • Carga dinámica básicaCr): 25,700 N
  • Carga estática básicaCor): 15,400 N
  • Quantity: 1 Rodamiento


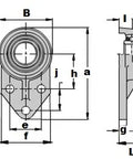
Dimensions mm)
a h e j g L f
143.5 54.5 46 31.8 12.7 36.5 82.6