VXB

UCFB205 Cojinete con brida de tres tornillos de 25mm

Precio normal $29.99 Precio de venta$46.00usted ahorra $16.01
SKU: Kit13746
UPC: 00193019213148
Item: UCFB205 Bearing
Type: Flanged Mounted Bearing
Shaft Diameter: 25mm
Bolt Size: M8
Bearing No: UC205
UCFB205 Rodamiento con brida de tres tornillos
25mm Inner Diameter


UCFB205 Rodamiento Montado con Brida de Tres Tornillos, Inner Diameter 25mm.

  • Rodamiento UCFB205
  • Rodamiento montado con brida
  • Diameter: del eje Diameter: 25mm
  • Size: del tornillo Size: M8
  • No: rodamiento No: UC205
  • No: carcasa No: FB205
  • Carga básicaCr): 14 KN
  • Carga BásicaCor): 7,85 KN
  • Quantity: 1 Rodamiento


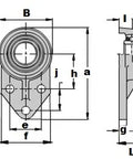
Dimensions mm)
a h e j i g I b f
120.7 46 41.3 28.6 16.7 9.6 28.6 69.9 63.5