UC212-38 Inserto de rodamiento 2-3/8" Montado
Título
Precio habitual
77,77 $
Precio de oferta120,00Ahorras 42,23
SKU: Kit18938
UPC: 00193019033975
UPC: 00193019033975
Item: UC212-38 Bearing
Type: Cylindrical Carttridge Ball Bearing
Shaft Diameter: 2 3/8" Inch
Dynamic Load Rating: 52400 N
Static Load Rating: 32250 N
Type: Cylindrical Carttridge Ball Bearing
Shaft Diameter: 2 3/8" Inch
Dynamic Load Rating: 52400 N
Static Load Rating: 32250 N
| Este artículo se enviará en el plazo de una semana Devoluciones sujetas a un cargo de reposición del 15%. |
|
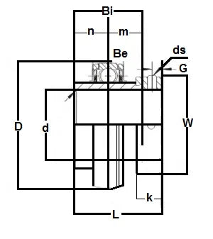
UC212-38 Cojinete de inserción Tornillo de fijación de bloqueo 2 3/8" Inch Inner Diameter |
UC212-38 Cojinete Insertado, Cojinete es de servicio estándar, Cojinete es de anillo interior ancho con anillo exterior esférico, Cojinete es de ranura de relubricación con agujero de aceite en el lado del tornillo de fijación, Cojinete es de nylon parcheado clase 3A tornillo de fijación, Junta estándar es R-Seal.
|
| Dimensions Inches) | ||||||||
|---|---|---|---|---|---|---|---|---|
| D | Bi | Be | r | n | m | G | W | ds(UNF-HiloThread) |
| 4-11/32" | 2-9/16" | 1-1/16" | 0.098" | 1" | 1-9/16" | 7/16" | 3-15/64" | 3/8-24x3/8 |
Formato antiguo
Compartir