SUC210-31 Stainless Steel con cojinete de 1 15/16 de diámetro interior

Precio normal $858.00 Precio de venta$2,283.00usted ahorra $1,425.00
SKU: Kit15293
UPC: 00193019220573
Item: SUC210-31 Bearing
Type: Stainless Steel Insert Ball Bearing
Shaft Diameter: 1 15/16" inch
Dynamic load rating: 28042 N
Static load rating: 16548 N
Este artículo se enviará en el plazo de una semana
Devoluciones sujetas a un cargo de reposición del 15%.


Rodamiento de bolas Stainless Steel SUC210-31
1 15/16" inch Inner Diameter


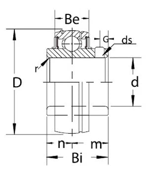
Rodamiento de bolas Stainless Steel SUC210-31, el rodamiento tiene un anillo interior ancho con un anillo exterior esférico, el rodamiento tiene una ranura de relubricación con un orificio de aceite en el lado del tornillo de fijación, el rodamiento tiene un pasador antirrotación en el lado opuesto a la ranura de grasa, se suministra con grasa Mobilgrease resistente al agua y al lavado.

  • Rodamiento SUC210-31
  • Rodamiento de bolas de inserción de Stainless Steel
  • Diameter: del eje Diameter: 1 15/16" inch
  • Dynamic load rating: 28042 N
  • Static load rating: 16548 N
  • Quantity: 1 Rodamiento


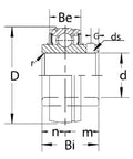
Dimensions inches)
D Bi Be r n m G ds (Unf-ThreadThread)
3-35/64" 2-1/32" 0.945" 5/64" 3/4" 1-9/32" 25/64" 3/8-24x3/8"



OldFormat