NB
SMSF30GUU 30mm Casquillo de Deslizamiento Casquillos de Movimiento Rodamiento Lineal
Título
Precio normal
$214.99
Precio de venta$329.00ahorra $114.01
SKU: Kit20109
UPC: 00193019116166
UPC: 00193019116166
Item: SMSF30GUU Bearing
Type: Linear Slide Bush
Retainer Material: Resin
Bearing Inner Diameter: 30mm
Quantity: One Bearing
Type: Linear Slide Bush
Retainer Material: Resin
Bearing Inner Diameter: 30mm
Quantity: One Bearing
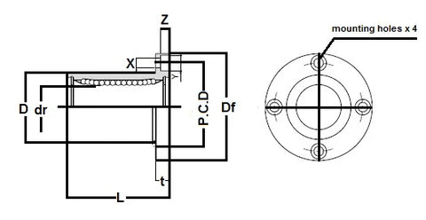
| SMSF30GUU Casquillo Deslizante Flange Type Redonda Made in JapanNB Linear Systems NipponNippon Bearing Linear Systems |
SMSF30GUU Round Linear Slide Bush, El retainer material es de resina, Es seals pn ambos lados, series utilizada principalmente en los EE.UU., marca NBNippon Bearing Linear Systems), Made in Japan.
|
| Major Dimensions | ||||||||
|---|---|---|---|---|---|---|---|---|
| dr | D | L | Df | t | P.CD | X x x | ||
| mm | tolerance | mm | tolerance | |||||
| 30 | 0-10 | 45 | 0-19 | 64 | 74 | 10 | 60 | 6,6 x x ,1 |
Compartir