NB
SMF6GUU 6mm Slide Bush Ball Bushings Linear Miniature Motion Bearing
Título
Precio normal
$39.99
Precio de venta$80.00usted ahorra $40.01
SKU: Kit19912
UPC: 00193019115022
UPC: 00193019115022
Item: SMF6GUU Bearing
Type: Linear Miniature Slide Bush
Retainer Material: Resin
Quantity: One Bearing
Dynamic load rating Cr: 206 N
Type: Linear Miniature Slide Bush
Retainer Material: Resin
Quantity: One Bearing
Dynamic load rating Cr: 206 N
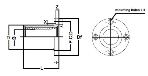
| SMF6GUU Flange Typeonda Flange Type:Casquillo deslizante miniatura Fabricado en JapónNB Linear Systems NipponNippon Bearing Miniature Linear Systems |
SMF6GUU Casquillo de Linear Slide en miniatura redondo, El retainer material es resina, El rodamiento es seals en ambos, series utilizada principalmente en los EE.UU., marca NBNippon Bearing Linear Systems), Hecho en Japón.
|
| Major Dimensions | ||||||||
|---|---|---|---|---|---|---|---|---|
| dr | D | L | Df | t | P.CD | X x x | ||
| mm | tolerance | mm | tolerance | |||||
| 6 | 0-9 | 12 | 0-13 | 19 | 28 | 5 | 20 | 3,5 x x ,1 |
Compartir