NB
SMF6G 6mm Casquillo de Deslizamiento Casquillos de Bolas Cojinete de Linear Motion en Miniatura
Título
Precio normal
$29.99
Precio de venta$46.00usted ahorra $16.01
SKU: Kit19899
UPC: 00193019114896
UPC: 00193019114896
Item: SMF6G Bearing
Type: Linear Miniature Slide Bush
Retainer Material: Resin
Quantity: One Bearing
Dynamic load rating Cr: 206 N
Type: Linear Miniature Slide Bush
Retainer Material: Resin
Quantity: One Bearing
Dynamic load rating Cr: 206 N
| SMF6G Flange Type:Casquillo deslizante miniatura Fabricado en JapónNB Linear Systems NipponNippon Bearing Miniature Linear Systems |
Casquillo de Linear Slide miniatura redondo SMF6G, El retainer material es resina, series utilizada principalmente en EE.UU., marca NBNippon Bearing Linear Systems), Made in Japan.
|
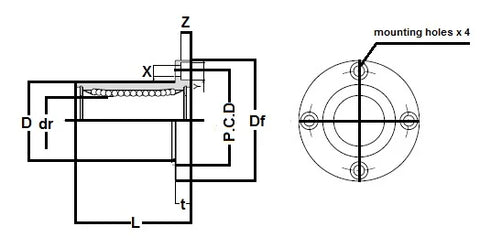
| Major Dimensions | ||||||||
|---|---|---|---|---|---|---|---|---|
| dr | D | L | Df | t | P.CD | X x x | ||
| mm | tolerance | mm | tolerance | |||||
| 6 | 0-9 | 12 | 0-13 | 19 | 28 | 5 | 20 | 3,5 x x ,1 |
Compartir