VXB

GER207-23 Inserto de rodamiento de 1-7/16" inch ID GRIP-IT 360 grados

Precio normal $184.99 Precio de venta$283.00usted ahorra $98.01
SKU: Kit19320
UPC: 00193019270875
Item: GER207-23 Bearing
Type: Bearing Insert
Shaft Diameter: 1 7/16" Inch
Dynamic Load Rating: 19440 N
Static Load Rating: 10320 N

GER207-23 Cojinete de inserción Grip-It
✔️ ID de 1 7/16" ID Bloqueo de 360° con tornillos de fijación

El GER207-23 es un cojinete insertable de alto rendimiento con un anillo interior ancho y un anillo exterior cilíndrico, diseñado para un montaje seguro en configuraciones exigentes. Cuenta con un sistema de bloqueo GRIP-IT 360° con tornillos de fijación con revestimiento de nailon y un acabado de óxido negro para una mayor resistencia a la corrosión. Fabricado para soportar cargas de forma estable y garantizar un funcionamiento suave. Se envía en el plazo de una semana. Las devoluciones están sujetas a una tasa de reposición del 15 %.

✅ diameter: del eje diameter: 7/16" inch
✅ Bloqueo GRIP-IT 360° - tornillos de fijación de nylon clase 3A
✅ Anillo interior ancho con exterior cilíndrico y anillo de retención
✅ Anillos interior y exterior recubiertos de óxido negro
✅ Junta R para un mejor sellado y mayor durabilidad
✅ Ranura de relubricación con orificio de aceite frente al collarín de bloqueo
✅ Dynamic load rating: 19 440 N
✅ Static load rating: 10 320 N
✅ Quantity: rodamiento

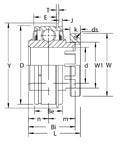
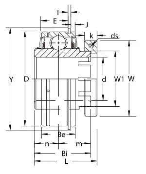
Tabla de dimensionesInches):

D Bi Be L n m E W1 J T Y K W ds (Thread)
2-53/64" 1-11/16" 15/16" 1-7/8" 11/16" 1" 47/64" 1-27/32" 1/8" 5/64" 3-3/32" 7/16" 2-37/64" 10-24 x

💡 ¿Por qué los rodamientos con inserto de bloqueo de 360 grados son una opción sólida para configuraciones exigentes?
Se agarran de manera uniforme y permanecen bloqueados bajo carga y vibración.

  • Los tornillos de fijación con arandela de nylon resisten el aflojamiento bajo impacto.

  • El diseño GRIP-IT garantiza un contacto total alrededor del eje.

  • El recubrimiento de óxido negro ayuda a resistir la corrosión y el desgaste.

  • Ideal para la agricultura, los sistemas de transporte y los ensamblajes OEM.

Si quieres fuerza y movimiento suave en uno, este inserto te respalda: fíjalo y mantén tu equipo funcionando correctamente.