VXB

FHSPW205-25mmG Rodamiento de hierro fundido de bloque de almohadilla 25mm

Precio normal $88.88 Precio de venta$200.00usted ahorra $111.12
SKU: Kit16074
UPC: 00193019225462
Item: FHSPWC204-20mmG Bearing
Type: Pillow Block Cast Iron Light Duty
Shaft Diameter: 25mm
Bolt Size: 3/8" inch
Bearing No: FHS205-25mm
Este artículo se enviará en el plazo de una semana
Devoluciones sujetas a un cargo de reposición del 15%.


FHSPWC204-20mmG Rodamiento de Bolas de Hierro Fundido de Bloque Almohadillado para Servicio Ligero

25mm Inner Diameter


FHSPWC204-20mmG Rodamiento de Bolas de Hierro Fundido de Bloque de Almohada, El rodamiento tiene un diseño de alojamiento de pie sólido, el rodamiento tiene un anillo interior estrecho, el rodamiento es una unidad relubricable, el sello estándar es RST de montaje hermético, cubierta completa, seals cubierta metálica.

  • Rodamiento FHSPWC204-20mmG
  • Bloque de almohadilla de hierro fundido Light Duty
  • Diameter: del eje Diameter: 25mm
  • Size: del perno Size: 3/8" inch
  • No: rodamiento No: 25mm
  • No: carcasa No: HA
  • Quantity: 1 Rodamiento
  • Rodamiento de bolas


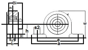
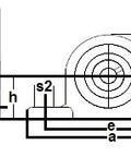
Dimensions mm)
h a e b s1 s2 g w Bi n
36.51 127 100 28.6 11.1 15.9 10.3 68.3 27 7.5