VXB

FHSPPZ205-16-IL Bloque de inch de acero prensado de 1 inch

Precio normal $49.99 Precio de venta$100.00usted ahorra $50.01
SKU: Kit18398
UPC: 00193019262665
Item: FHSPPZ205-16-IL Bearing
Type: Pillow Block Pressed Steel Ball Bearing
Shaft Diameter: 1" Inch
Bolt Size: 3/8" Inch
Bearing No: FHS205-16
Este artículo se enviará en el plazo de una semana
Devoluciones sujetas a un cargo de reposición del 15%.


FHSPPZ205-16-IL Rodamiento de bolas de acero prensado de bloque de almohadilla
Tornillo de fijación de bloqueo
Inner Diameter 1 Inch


FHSPPZ205-16-IL Pillow Block Pressed Steel Ball Bearing, bearing is light duty, self-aligning pressed steel housings, housing unit is available with inter-locking feature(IL suffix), bearing is narrow inner ring, Standard seal is RST tight riding, full cover, metal shroud seals.

  • Rodamiento FHSPPZ205-16-IL
  • Rodamiento de bolas de acero prensado de bloque almohadillado
  • Diameter: del eje Diameter: 1 Inch
  • Size: del perno Size: 3/8" Inch
  • No: rodamiento No: FHS205-16
  • No: la carcasa No: PP-3Z-SETS-IL
  • Quantity: 1 Rodamiento
  • Rodamiento de bolas


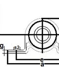
Dimensions Inches)
h a e b s1 s2 g w Bi n
1" 4-1/8" 3" 1" 13/32" 1/2" 0.15" 2-1/16" 63/64" 0.256"