VXB

50mm Rodamiento de bloque de almohadilla de altura de eje estándar 50mm

Precio normal $163.99 Precio de venta$251.00ahorra $87.01
SKU: Kit15729
UPC: 00193019223468
Item: FHP210-50mm Bearing
Type: Pillow Block Standard Shaft Height
Shaft Diameter: 50mm
Bolt Size: 5/8" inch
Bearing No: FH210-50mm
Este artículo se enviará en el plazo de una semana
Devoluciones sujetas a un cargo de reposición del 15%.


50mm Bloque50mm Altura de eje estándar Rodamiento de bolas
Collar de bloqueo excéntrico
Inner Diameter 50mm


Rodamiento de bolas50mm bloque50mm y altura de eje estándar. El rodamiento tiene un diseño de carcasa con base sólida, un anillo interior estrecho y no es relubricable. El sello estándar es RST de ajuste apretado, con cubierta completa y seals metálicos.

  • 50mm
  • Bloque de almohadilla Altura de eje estándar
  • Diameter: del eje Diameter: 50mm
  • Size: del perno Size: 5/8" inch
  • No: rodamiento No: 50mm
  • No: la carcasa No: P-210-HT
  • Quantity: 1 Rodamiento
  • Rodamiento de bolas


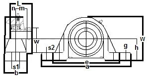
Dimensions mm)
h a e b s1 s2 g w L n m W
57.15 206.4 158.8 55.6 19.8 22.2 19.1 115.9 43.7 11 19.18 69.9