VXB

35mm Rodamiento estándar de bloque de almohadilla de 35mm altura de eje

Precio normal $120.00 Precio de venta$250.00usted ahorra $130.00
SKU: Kit15717
UPC: 00193019223413
Item: FHP207-35mm Bearing
Type: Pillow Block Standard Shaft Height
Shaft Diameter: 35mm
Bolt Size: 1/2" inch
Bearing No: FH207-35mm
Este artículo se enviará en el plazo de una semana
Devoluciones sujetas a un cargo de reposición del 15%.


35mm Rodamiento de bolas de bloque de almohada de altura de eje estándar
Collarín excéntrico de bloqueo
35mm Inner Diameter


FHP207-35mm Pillow Block Standard Shaft Height Ball Bearing, Bearing is solid foot housing design, bearing has Narrow inner ring, bearing is Non-relubricatable unit, Standard seal is RST tight riding, full cover, metal shroud seals.

  • Rodamiento 35mm
  • Bloque de almohadilla Altura de eje estándar
  • Diameter: del eje Diameter: 35mm
  • Size: del perno Size: 1/2" inch
  • No: rodamiento No: 35mm
  • No: la carcasa No: HA
  • Quantity: 1 Rodamiento
  • Rodamiento de bolas


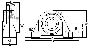
Dimensions mm)
h a e b s1 s2 g w L n m W
47.63 166.7 127 45.8 16.7 20.6 18.3 93.7 38.9 9.5 15.9 55.6