VXB

B542-2RS Rodamiento Cerámico Híbrido 1-5/16" x " x " inch

Precio normal $79.99 Precio de venta$160.00usted ahorra $80.01
SKU: B542-2RSC
UPC: 00193019347065
Item: B542-2RSC
Type: Full complement Ceramic
Size: 1-5/16" x 1-3/4" x 9/32" inch
Brand: VXB Bearing
Quantity: One Bearing

B542-2RS Cojinete de control de fuselaje tipo tubo de torsión extra ligera
✔️ 1-5/16" x " x " - Sealed goma

Diseñado para ofrecer precisión y durabilidad en aplicaciones aeronáuticas y aeroespaciales, el 2RS es un rodamiento de tubo de torsión para servicio extra ligero ideal para sistemas de acoplamiento de superficies de control. Ofrece un funcionamiento suave con altas capacidades de carga, al tiempo que mantiene un diseño compacto y de perfil bajo.

✅ Item: B542-2RS
✅ Type: Full Complement Ceramic Extra Light Duty, Single Row Ball Bearing
✅ Application: Airframe control and torque tube systems
✅ Seals: Rubber Sealed (2RS)
✅ Lubrication: Preservative coated (dry, not greased)
✅ Material: Chromium-alloy, Ceramic
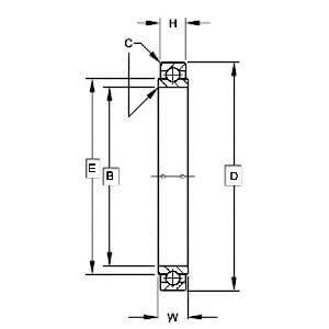
✅ Dimensions:
 - Bore (ID): 1-5/16"
 - Outer Diameter (OD): 1-3/4"
 - Width: 9/32"
✅ Inner Ring Width (H): 0.281"
✅ Inner Ring OD (W): 1.454"
✅ Shoulder Height (E): 0.015"
✅ Radial Load Capacity: 5,950 lbs
✅ Thrust Load Capacity: 2,700 lbs
✅ Brand: VXB Bearing
✅ Quantity: 1 Bearing

💡 ¿Qué diferencia a los cojinetes de control de fuselaje de los cojinetes estándar?
Los cojinetes de control de fuselaje, como el B542-2RS , están diseñados específicamente para aplicaciones de control de aeronaves y ofrecen tolerancias ajustadas, una construcción ligera y una mayor resistencia a las vibraciones y a la tensión radial , lo que garantiza un rendimiento fiable en condiciones extremas.