VXB
Rodamiento con brida de 30mm KFL006 Rodamiento montado en bloque de almohadilla
Título
Precio normal
$49.99
Precio de venta$76.00usted ahorra $26.01
SKU: KFL006
UPC: 00193019204825
UPC: 00193019204825
Item: KFL006 Bearing
Type: Flange Pillow Block Mounted Bearing
Bolt Size: M10
One Bearing
Type: Flange Pillow Block Mounted Bearing
Bolt Size: M10
One Bearing
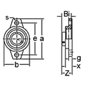
| KFL006 Rodamiento Montado en Caballete con Brida Aleación de Zinc 30mm Inner Diameter |
KFL006 Rodamiento Montado en Bloque de Almohadilla con Brida, KFL006 está hecho de Aleación de Zinc , El Inner Diameter es de 30mm.
|
| Dimensions mm) | ||||||||||
|---|---|---|---|---|---|---|---|---|---|---|
| d | A | E | I | G | B | S | D | Z | L | N |
| 30 | 112 | 85 | 9 | 9 | 18 | 13 | 70 | 27 | 24.5 | 6.5 |
Compartir