Linear Motion con guía de riel soportada de aluminio 30mm "

Precio normal $599.00 Precio de venta$803.00usted ahorra $204.00
SKU: SBR30-120
UPC: 00193019323007





Sistema de guías 30mm - Carril de 120" (3048mm)
✔️ Linear Motion para cargas muy pesadas - Solo envío por transporte de mercancías

Este sistema de guía lineal de 120 pulgadas (3048mm) de longitud utiliza un carril SBR30 30mm , diseñado para CNC de uso industrial, plataformas de automatización y equipos de fabricación que requieren un recorrido largo y una gran capacidad de carga. Se envía por transporte de mercancías solo dentro de EE. UU.; no se ofrecen envíos internacionales.

✅ Carril lineal SBR30 extralargo de 120" (3048mm)
✅ Eje de soporte de alta resistencia 30mm
✅ Diseñado para un movimiento suave y rígido en instalaciones a gran escala
✅ Perfecto para CNC , cortadoras de plasma y vías de automatización
✅ Incluye: 1 carril de soporte (los rodamientos y soportes se venden por separado)
✅ Solo envío por transporte: entrega en un plazo de 1 semana

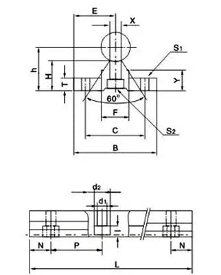
⚙️ Especificaciones técnicas - Carril SBR30:

Espec Valor
Diámetro 30mm
E (Distancia final) 30mm
h (altura de la base) 370 mm
B ( Width la base) 60 mm
H (altura total) 228mm
T (Espesor) 7mm
F (Desplazamiento del agujero del perno) 26,5mm
X 10,3mm
Y 13mm
C ( Width ranura) 40mm
S1 66mm
S2 6,6 x x 5mm

💡 ¿Por qué elegir un sistema de guías lineales 30mm para grandes construcciones?

Está construido para manejar cargas masivas y mantener la precisión a largas distancias.

  • El eje grueso resiste la flexión bajo tensión

  • Perfecto para pórticos CNC de longitud completa y brazos de transporte automatizados

  • Diseño atornillado para una fácil integración en el bastidor

  • Movimiento rectilíneo de baja fricción incluso con vibraciones

Si estás construyendo algo grande y serio - este raíl 30mm es tu solución. Consigue el tuyo con envío a portes debidos en solo una semana y ¡lleva tu máquina al siguiente nivel!