VXB
Rodamiento con brida de 12mm KFL001 Rodamiento miniatura montado en bloque de almohadilla
UPC: 00193019008126
Type: Flange Miniature Pillow Block Mounted Bearing
Bolt Size: M6
Bearing No: K001
Housing No: FL001
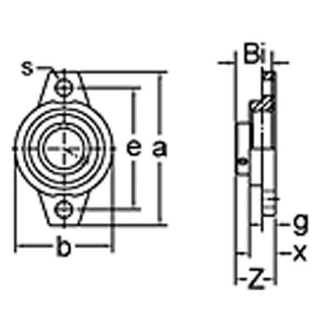
KFL001 rodamiento miniatura de bloque de almohada con brida 12mm
✔️ Alojamiento FL001 Zinc con inserto de rodamiento K001
Este bloque de almohada en miniatura KFL001 es un soporte práctico para ejes ligeros en impresoras 3D , máquinas pequeñas, robótica y ensamblajes de movimiento de bricolaje. Utiliza un alojamiento de brida FL001 zinc con un rodamiento de inserción 12mm diámetro para una rotación suave y apoyada.
✅ Type: rodamiento de bloque de almohada miniatura con brida
✅ material: la carcasa material: aleación dezinc
✅ Inserto de rodamiento: K001
✅ Inner diameter: 12mm
✅ size: del perno size: M6
✅ Carga dinámica: 4606 N
✅ Carga estática: 1906 N
✅ Pack size: 1 rodamiento.
Tabla de Dimensions mm):
| Característica | Valor |
|---|---|
| Taladrod) | 12 |
| A | 63 |
| E | 48 |
| I | 5.5 |
| G | 5.5 |
| B | 11.5 |
| S | 7 |
| D | 36 |
| Z | 15.5 |
| L | 14 |
| N | 4 |
💡 ¿Por qué utilizar rodamientos miniatura de bloque de almohada en sistemas de movimiento pequeños?
Soportan los ejes a la vez que mantienen estable la alineación.
-
El diseño de la brida facilita el montaje en superficies planas
-
La carcasa Zinc es ligera pero rígida
-
El rodamiento de inserción mantiene la rotación suave bajo las cargas diarias
Un soporte limpio y compacto que hace que sus pequeños montajes mecánicos funcionen mejor y se mantengan alineados.
Opiniones de los clientes
Estoy muy satisfecho con el producto que he recibido. Era de buena calidad. El servicio fue excelente. Recomendaría a VBX como proveedor.
El anillo de rodadura exterior y el anillo de rodadura interior no están apretados, tienen una holgura de uno-dos mm No estoy seguro de si eso es estándar o no mm