VXB

UCPH206 Rolamento 30mm Pillow Block Mounted Bearing

Preço normal $39.99 Preço de venda$61.00você economiza US$ 21,01
SKU: UCPH206
UPC: 00193019333365
Item: UCPH206 Bearing
Type: high centerheight pillow unit
Bolt Size: M14
Basic Load (Cr): 19.5 KN
Basic Load (Cor): 11.3 KN
Rolamento UCPH206
Rolamento de bloco de descanso
Furo cilíndrico (com parafusos de ajuste)
Rolamento de30mm Inner Diameter




Essa unidade é do tipo almofada de alta altura central e tem grande resistência a cargas de impacto. É adequada para máquinas em que são necessárias maiores alturas entre a base e o centro, como máquinas de impressão e fiandeiras.

  • Rolamento UCPH206
  • unidade de travesseiro de altura central alta
  • Size: parafuso Size: M14
  • Carga básicaCr): 19,5 KN
  • Carga básicaCor): 11,3 KN
  • No: rolamento No: UC206
  • Quantity: Um rolamento
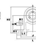
Dimensions mm)
d H L A J N N1 H1 H2 L1 B S
30 90 165 50 121 17 21 18 130 56 38.1 15.9