VXB

Rolamento UCPH201-8 Rolamento montado em bloco de descanso de 1/2 pol.

Preço normal $29.99 Preço de venda$60.00você economiza US$ 30,01
SKU: UCPH201-8
UPC: 00193019333266
Item: UCPH201-8 Bearing
Type: high centerheight pillow unit
Bolt Size: 3/8
Basic Load (Cr): 12.8 KN
Basic Load (Cor): 6.65 KN
Rolamento UCPH201-8
Rolamento de bloco de descanso
Furo cilíndrico (com parafusos de ajuste)
Rolamento de 1/2" de Inner Diameter



Essa unidade é do tipo almofada de alta altura central e tem grande resistência a cargas de impacto. É adequada para máquinas em que são necessárias maiores alturas entre a base e o centro, como máquinas de impressão e fiandeiras.

  • Rolamento UCPH201-8
  • unidade de travesseiro de altura central alta
  • Size: parafuso Size: 3/8"
  • Carga básicaCr): 12,8 KN
  • Carga básicaCor): 6,65 KN
  • No: rolamento No: UC201-8
  • Quantity: Um rolamento
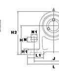
Dimensions Inches)
d H L A J N N1 H1 H2 L1 B S
1/2" 2-3/4" 5" 1-9/16" 3-3/4" 1/2" 3/4" 19/32" 3-21/32" 1-13/16" 1.22" 0.5"