VXB

UCFB205 Rolamento de 25mm com três parafusos Rolamento montado com flange

Preço normal $29.99 Preço de venda$46.00você economiza US$ 16,01
SKU: Kit13746
UPC: 00193019213148
Item: UCFB205 Bearing
Type: Flanged Mounted Bearing
Shaft Diameter: 25mm
Bolt Size: M8
Bearing No: UC205
UCFB205 Rolamento montado com flange de três parafusos
Inner Diameter25mm


UCFB205 Rolamento montado com flange de três parafusos, Inner Diameter de 25mm.

  • Rolamento UCFB205
  • Rolamento montado com flange
  • Diameter: do eixo Diameter: 25mm
  • Size: parafuso Size: M8
  • No: rolamento No: UC205
  • No: da caixa No: FB205
  • Carga básicaCr): 14 KN
  • Carga básicaCor): 7,85 KN
  • Quantity: 1 rolamento


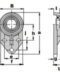
Dimensions mm)
a h e j i g I b f
120.7 46 41.3 28.6 16.7 9.6 28.6 69.9 63.5