VXB

UCFA203 Unidade de rolamento de cartucho de flange ajustável banhado a óxido preto com rolamento montado 17mm

Preço normal $49.99 Preço de venda$76.00você economiza US$ 26,01
SKU: UCFA203-BLACK
UPC: 00193019332665
Item: UCFA203 Black Oxide Plated Insert Bearing + Flange Housing
Type: Flange Cartridge Unit
Basic Load (Cr): 12.8 KN
Basic Load (Cor): 6.65 KN
Bolt Size: 5/16
UCFA203 Black Oxide Plated Insert
Adjustable Flange Cartridge Unit
17mm Inner Diameter


UCFA203 Black Oxide Plated Insert Bearing Adjustable Flange Cartridge Unit, the inner Diameter is 17mm.

  • UCFA203 Black Oxide Plated Insert Bearing + Flange housing
  • Unidade de cartucho de flange
  • Carga básicaCr): 12,8 KN
  • Carga básicaCor): 6,65 KN
  • Size: parafuso Size: 5/16"
  • No: rolamento No: UC203 Preto
  • No: da caixa No: FA204
  • Quantity: 1 rolamento

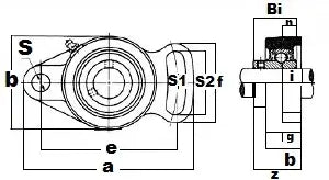
Dimensions mm)
a e i g S S1 S2 b f z Bi n
102 77.8 15.1 11.9 9.9 9.9 36.1 60.3 54 33.3 31 12.7