NB
SMSF13UU Bucha deslizante13mm Rolamento linear de movimento em miniatura
Título
Preço normal
$99.99
Preço de venda$200.00você economiza US$ 100,01
SKU: Kit20092
UPC: 00193019115992
UPC: 00193019115992
Item: SMSF13UU Bearing
Type: Linear Miniature Slide Bush
Retainer Material: Steel
Quantity: One Bearing
Dynamic load rating Cr: 510 N
Type: Linear Miniature Slide Bush
Retainer Material: Steel
Quantity: One Bearing
Dynamic load rating Cr: 510 N
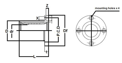
| SMSF13UU Flange redondo Tipo anticorrosão: Bucha deslizante miniatura Fabricado no JapãoNB Linear Systems NipponNippon Bearing Miniature Linear Systems |
SMSF13UU Round Flange Anticorrosion Miniature Linear Slide Bush, o rolamento é seals em ambos os lados, o retainer material é aço, series é usada principalmente nos EUA, marca NBNippon Bearing Linear Systems), fabricada no Japão.
|
| Major Dimensions | ||||||||
|---|---|---|---|---|---|---|---|---|
| dr | D | L | Df | t | P.CD | X x x | ||
| mm | tolerance | mm | tolerance | |||||
| 13 | 0-9 | 23 | 0-16 | 32 | 43 | 6 | 33 | 4,5 x ,5 x ,1 |
Compartilhar