VXB
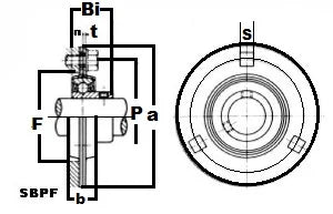
SBPF201-8 1/2 Pressed Steel Bearing 3-Bolt Flanged Mounted Bearing - Ball Bearing with a Flange
UPC: 00193019039489
Type: Pressed Steel Housing Unit
Shaft Diameter: 1/2" Inch
Bolt Size: 1/4" Inch
Bearing No: SB201-8
| SBPF201-8 Unidade de alojamento de aço prensado Flanges de 3 parafusos |
|
Unidade de alojamento de aço prensado SBPF201-8, rolamento com flanges de 3 parafusos e diâmetro do eixo de 1/2 Inch.
|
||||||||||||||||||||||||||||
Avaliações de clientes
Sem erros, sem manuseio incorreto e com serviço rápido
A QUALIDADE É REALMENTE EXCELENTE E, PARA O QUE EU PRECISO, POSSO ESCOLHER MUITO BEM O TAMANHO OU O COMPRIMENTO DOS EIXOS DE TRANSMISSÃO QUE POSSO USAR. IGUAL = MAIS TRABALHOS... ÓTIMO!
Os rolamentos em si estão bem ajustados e firmes, sem folga ou trepidação. Gosto do fato de o cubo do rolamento central ser removível e substituível, o que permite que você trabalhe no eixo e no cubo separado das placas de montagem. Também elogio os orifícios quadrados dos parafusos, que me permitem usar parafusos de carragenagem para montá-lo com uma única chave inglesa. O preço também é muito bom.