VXB
12mm Inserto de rolamento 12mm montado
Título
Preço normal
$79.99
Preço de venda$160.00você economiza US$ 80,01
SKU: Kit19079
UPC: 00193019268537
UPC: 00193019268537
Item: HCS201-12mm Bearing
Type: Bearing Insert
Shaft Diameter: 12mm
Dynamic Load Rating: 9608 N
Static Load Rating: 4448 N
Type: Bearing Insert
Shaft Diameter: 12mm
Dynamic Load Rating: 9608 N
Static Load Rating: 4448 N
| Este item será enviado dentro de uma semana Devoluções sujeitas a 15% de taxa de reabastecimento |
|
Inserto de rolamento 12mm Colar de travamento excêntrico 12mm Inner Diameter |
Inserto de rolamento 12mm , rolamento com capacidade de carga padrão, anel interno largo com anel externo esférico, ranhura de relubrificação com orifício de óleo no lado do parafuso de fixação, orifício de óleo no lado oposto à ranhura, o que o torna intercambiável com todos os fabricantes, parafuso de fixação classe 3A com remendo de náilon, vedação padrão R-Seal.
|
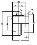
| Dimensions Inches) | ||||||||||
|---|---|---|---|---|---|---|---|---|---|---|
| D | L | Bi | Be | r | n | m | W | K | G | ds(UNF-ThreadThread) |
| 47 | 43.5 | 34 | 15 | 1.5 | 17 | 17 | 32 | 13.5 | 5 | M6xP1.0 |
Compartilhar