VXB
HC213 Inserto de rolamento de 65mm - Colar excêntrico montado em 65mm
Título
Preço normal
$99.99
Preço de venda$200.00você economiza US$ 100,01
SKU: HC213
UPC: 00193019199237
UPC: 00193019199237
Item: HC213
Type: Insert with Eccentric Collar
Shaft Diameter: 65mm
Dynamic Load Rating: 270096 N
Static Load Rating: 193542 N
Type: Insert with Eccentric Collar
Shaft Diameter: 65mm
Dynamic Load Rating: 270096 N
Static Load Rating: 193542 N
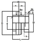
| HC213 65mm Bearing Insert with Eccentric Collar 65mm Inner Diameter Diameter |
HC213 65mm Bearing Insert com colar excêntrico, rolamento para serviço padrão, anel interno largo com anel externo esférico, ranhura de relubrificação do rolamento com orifício de óleo no lado do parafuso de fixação, parafuso de fixação classe 3A com remendo de náilon, vedação padrão R-Seal.
|
| Dimensions mm) | ||||||||
|---|---|---|---|---|---|---|---|---|
| D | Bi | Be | r | n | m | G | W | ds(UNF-ThreadThread) |
| 120 | 65.1 | 27 | 2.5 | 25.4 | 39.7 | 12 | 82.1 | M10xP1,25 |
HC213 65mm Inserto de rolamento com colar excêntrico 65mm Montado
Compartilhar