VXB

FHP209-45mmG Rolamento de bloco de descanso com altura de eixo padrão 45mm

Preço normal $157.99 Preço de venda$242.00você economiza US$ 84,01
SKU: Kit15769
UPC: 00193019223659
Item: FHP209-45mmG Bearing
Type: Pillow Block Standard Shaft Height
Shaft Diameter: 45mm
Bolt Size: 1/2" inch
Bearing No: FH209-45mmG
Este item será enviado dentro de uma semana
Devoluções sujeitas a 15% de taxa de reabastecimento


FHP209-45mmG Pillow Block Standard Shaft Height Ball Bearing
Eccentric Locking Collar
45mm Inner Diameter Diameter


FHP209-45mmG Pillow Block Standard Shaft Height Ball Bearing (rolamento de esferas de altura de eixo padrão), o rolamento tem um design de carcaça de pé sólido, o rolamento tem um anel interno estreito, o rolamento é uma unidade não lubrificável, a vedação padrão é RST tight riding, cobertura total, seals de metal.

  • Rolamento FHP209-45mmG
  • Altura do eixo padrão do pillow block
  • Diameter: do eixo Diameter: 45mm
  • Size: parafuso Size: 1/2" inch
  • No: rolamento No: FH209-45mmG
  • No: da caixa No: HA
  • Quantity: 1 rolamento
  • Rolamento de esferas


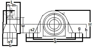
Dimensions mm)
h a e b s1 s2 g w L n m W
53.89 189.7 146.1 51.2 16.7 20.6 19.1 108 43.7 11 19.18 63.5