VXB

FHLF206-19 Bearing Flange 2 Bolt 1 3/16" inch

Preço normal $70.00 Preço de venda$140.00você economiza US$ 70,00
SKU: Kit17538
UPC: 00193019229613
Item: FHLF206-19 Bearing
Type: Flange Light Duty 2 Bolt Unit
Shaft Diameter: 1 3/16" inch
Bolt Size: 3/8" inch
Bearing No: FH206-19
Este item será enviado dentro de uma semana
Devoluções sujeitas a 15% de taxa de reabastecimento


FHLF206-19 Flange Light Duty 2 Bolt Unit Ball Bearings
Eccentric Locking Collar
1 3/16" inch Inner Diameter Diameter


FHLF206-19 Flange Light Duty 2 Bolt Unit Ball Bearing, o rolamento é Light Duty e de ferro fundido de alta qualidade, ideal para aplicações com espaço de montagem limitado, o rolamento é de anel interno estreito, o rolamento é não relubrificável, a vedação padrão é RST tight riding, cobertura total, seals de metal.

  • Rolamento FHLF206-19
  • Unidade de 2 parafusos para serviço leve com flange
  • Diameter: do eixo Diameter: 1 3/16" inch
  • Size: parafuso Size: 3/8" inch
  • No: rolamento No: FH206-19
  • No: da caixa No: LF-206-H
  • Quantity: 1 rolamento
  • Rolamento de esferas


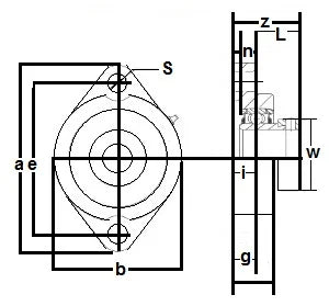
Dimensions inches)
a e i g l s b Z L n W
4-7/16" 3-9/16" 15/32" 15/32" 7/8" 15/32" 3" 33/64" 1-13/32" 23/64" 1-3/4"