VXB
Rolamento de flange 30mm KFL006 Rolamento montado em bloco de descanso
Título
Preço normal
$49.99
Preço de venda$76.00você economiza US$ 26,01
SKU: KFL006
UPC: 00193019204825
UPC: 00193019204825
Item: KFL006 Bearing
Type: Flange Pillow Block Mounted Bearing
Bolt Size: M10
One Bearing
Type: Flange Pillow Block Mounted Bearing
Bolt Size: M10
One Bearing
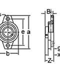
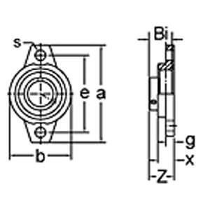
| KFL006 Flange Pillow Block Mounted Bearing Liga de zinco 30mm Inner Diameter |
KFL006 Flange Pillow Block Mounted Bearing, KFL006 é feito de liga de Zinc , o Inner Diameter é de 30mm.
|
| Dimensions mm) | ||||||||||
|---|---|---|---|---|---|---|---|---|---|---|
| d | A | E | I | G | B | S | D | Z | L | N |
| 30 | 112 | 85 | 9 | 9 | 18 | 13 | 70 | 27 | 24.5 | 6.5 |
Compartilhar