VXB
Rolamento de flange 12mm KFL001 Rolamento montado em bloco de descanso miniatura
UPC: 00193019008126
Type: Flange Miniature Pillow Block Mounted Bearing
Bolt Size: M6
Bearing No: K001
Housing No: FL001
Rolamento miniatura de pillow block com flange KFL001 12mm
✔️ Caixa FL001 Zinc com inserto de rolamento K001
Esse pillow block em miniatura KFL001 é uma montagem prática para eixos leves em impressoras 3D , pequenas máquinas, robótica e montagens de movimento DIY. Ele usa um alojamento de flange FL001 zinc com um rolamento de inserção com furo 12mm para uma rotação suave e suportada.
✅ Type: rolamento pillow block miniatura com flange
✅ material: da carcaça material: liga dezinc
✅ Inserto do rolamento: K001
✅ Inner diameter: 12mm
✅ size: do parafuso size: M6
✅ Carga dinâmica: 4606 N
✅ Carga estática: 1906 N
✅ Pack size: 1 rolamento
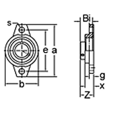
Tabela de Dimensions mm):
| Recurso | Valor |
|---|---|
| Furod) | 12 |
| A | 63 |
| E | 48 |
| I | 5.5 |
| G | 5.5 |
| B | 11.5 |
| S | 7 |
| D | 36 |
| Z | 15.5 |
| L | 14 |
| N | 4 |
Por que usar rolamentos miniatura pillow block em sistemas de movimento pequenos?
Eles suportam os eixos e mantêm o alinhamento estável.
-
O design do flange ajuda a facilitar a montagem em superfícies planas
-
A carcaça Zinc é leve, porém rígida
-
O rolamento de inserção mantém a rotação suave sob cargas diárias
Uma montagem limpa e compacta que faz com que suas pequenas montagens mecânicas funcionem de forma mais suave e permaneçam alinhadas.
Avaliações de clientes
Fiquei muito satisfeito com o produto que recebi. Ele era de boa qualidade. O serviço foi excelente. Recomendaria a VBX como fornecedor.
A pista externa e a interna não estão apertadas, elas têm uma folga de um a dois mm....Não tenho certeza se isso é padrão ou não