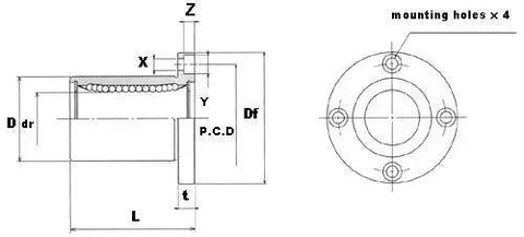
SWF32GUU NB 2 inch Ball Bushings Round Flange Linear Motion designed for smooth motion and stable alignment in automation and mechanical systems, 1-pack for long service life

Regular price $309.00 Sale price$822.00you save $513.00
SKU: SWF32GUU-NB
UPC: 00193019132999
Item: SWF32GUU NB Bearing
Type: NB Linear Systems ball bushing
Shaft Diameter: 2" Inch
Dynamic load rating Cr: 3820 N
Static load rating Cor: 7940 N

SWF32GUU NB 2 inch Ball Bushings Round Flange Linear Motion made for smooth installs and steady fit
✔️ SWF32GUU NB 2 inch Ball Bushings Round Flange Linear Motion

This 1 pack is designed for clean replacement and smooth mechanical operation.

✅ Pack size: 1
✅ Smooth motion for mechanical assemblies
✅ Stable fit to reduce play and vibration
✅ Made for repeated use in motion systems
✅ Works for upgrades or direct replacements

💡 How do you reduce vibration in long travel linear motion systems?
Quick answer: match pitch, load, and support style to your machine setup.
* Pitch controls feed speed and motor load
* End supports keep alignment stable under load
* Proper lubrication reduces heat and wear

Built to help maintain accuracy and smooth movement in working systems.