NBK

10-Pack SWAS-16-20-5-AW NBK Stainless Steel Adjust Metal Washer -Made in Japan-

Regular price $59.99 Sale price$100.00you save $40.01
SKU: SWAS-16-20-5-AW-NBK
Item: SWAS-16-20-5-AW NBK
Stainless Steel Adjust Metal Washer
Quantity : Pack of 10 Washers
NBK - Made in Japan
5-7 days shipping
SWAS-16-20-5-AW NBK Stainless Steel Adjust Metal Washer
Pack of 10 Washer
NBK - Made in Japan

Characteristics:
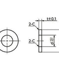
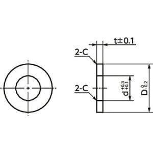
  • There is a variety of outside diameters and thickness relative to normal plain washers.
  • For securing seating surface on the long hole position and engagement of materials with low marginal seating surface pressure such as aluminum and resin.
  • As a collar and a spacer, it can adjust the cumulative error in assembly.



Part Number D d t Qty per Pack
SWAS-16-20-5-AW 20mm 16mm 5mm 10