NBK

SWA-4-8-2-AWEL NBK Adjust Metal Washer - Steel - Electroless Nickel Plating Made in Japan

Regular price $49.99 Sale price$100.00you save $50.01
SKU: SWA-4-8-2-AWEL-NBK
Item: SWA-4-8-2-AWEL
Adjust Metal Washer - Steel - Electroless Nickel Plating
Quantity : Pack of 10 Washers
NBK - Made in Japan
5-7 days shipping
SWA-4-8-2-AWEL NBK Adjust Metal Washer - Steel
Electroless Nickel Plating Made in Japan
Pack of 10 Washer
NBK - Made in Japan

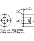
Characteristics:
  • There is a variety of outside diameters and thickness relative to normal plain washers.
  • For securing seating surface on the long hole position and engagement of materials with low marginal seating surface pressure such as aluminum and resin.
  • As a collar and a spacer, it can adjust the cumulative error in assembly.



Part Number D t d Mass (g) Qty per Pack
SWA-4-8-2-AWEL-NBK 8mm 4mm 2mm 0.6g 10