NBK

SSC-4-40-5/8 NBK Socket Head Cap Captive Screws (Inch Screws) Japan Made

Regular price $19.99 Sale price$31.00you save $11.01
SKU: SSC-4-40-5-8-NBK
Item: SSC-4-40-5/8
Socket Head Cap Captive Screws (Inch Screws)
Quantity per pack: One Screw
NBK Made in Japan
5-7 days shipping
SSC-4-40-1/2 NBK Socket Head Cap Captive Screws (Inch Screws)
One Screw
Made in Japan


Characteristics:
  • It prevents fall-off and missing of the screw. For fixing of protection cover and cover for inspection that are frequently mounted and removed.
  • Inch screw type
  • For CE marking.
  • Use a dedicated wrench SKH(INCH) for mounting and removal.
  • We also produce captive screws of special specifications, e.g. dimensions, shapes, materials and surface treatment. Please feel free to contact our customer service.


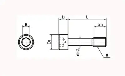
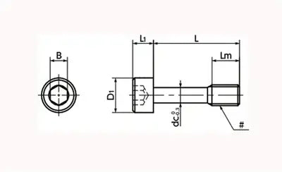
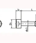
    Part Number # Nominal of Thread L LM(inch) D1 L1 B dc(inch) Qty per Pack
    SSC-4-40-5/8-NBK No.4-40UNC 5/8in 4in 0.183in 0.112in 3/32in 1.9in 1