NBK

SPS-M6-30-C NBK Plastic Screw - Socket Head Cap Screws - PPS 10-Pack Screws - Japan Made

Regular price $124.99 Sale price$191.00you save $66.01
SKU: SPS-M6-30-C-NBK
Item : SPS-M6-30-C
Plastic Screw Socket Head Cap Screws – PPS(Polyphenylene Sulfide)
Quantity : Pack of 10 Screws
NBK - Made in Japan
5-7 days shipping
SPS-M6-30-C NBK Plastic Screw - Socket Head Cap Screws - PPS
Main Body PPS‹¬?Polyphenylene Sulfide‹¬?Glass Fiber 40‹¬?
Heat Resistance 200ƒ?Ÿ
Pack of 10 Screws
NBK - Made in Japan

Characteristics:
  • PPS has excellent heat resistance and chemical resistance and continuous duty temperature of 200?√∏C.
  • Under 200?√∏C, no oils, fats, or organic solvents dissolve PPS.
  • It has high strength, high rigidity, and high heat resistance strength.
  • It has high incombustibility that meets V-0 of UL 94.




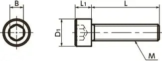
Part Number M L D1 L1 B Tension Rupture Load (N)

Torsional Torque (N.m)
SPS-M6-30-C-NBK M6 30mm 10mm 6mm 5mm 2250 N 2.11 N.m