NBK

SPE-M8-30-C NBK Plastic Screw - Socket Head Cap Screws - PEEK Pack of 5 Screws - Japan Made

Regular price $120.00 Sale price$250.00you save $130.00
SKU: SPE-M8-30-C-NBK
Item: SPE-M8-30-C
Plastic Screw Socket Head Cap Screws – PEEK
Quantity : Pack of 5 Screws
NBK - Made in Japan
5-7 days shipping
SPE-M8-30-C NBK Plastic Screw - Socket Head Cap Screws - PEEK
PEEK Polyetheretherketone 18º
Pack of 5 Screws
NBK - Made in Japan

Characteristics:
  • PEEK is a thermoplastic super - engineering plastic with excellent physical and chemical properties.
  • Properties of VESPEL SP-1
  • These screws have excellent chemical resistance. They are mostly unaffected by chemicals excluding concentrate sulfuric acid, concentrate nitric acid, and concentrate hydrofluoric acid.
  • These screws have excellent abrasion, shock, and fatigue resistance.
  • They have high incombustibility that meets V - 0 of UL 94.
  • The properties and precautions of plastic screws.




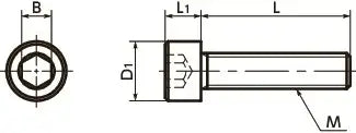
Part Number M L D1 L1 B Tension Rupture Load
(N)
Torsional Torque
(N.m)

SPE-M8-30-C-NBK M8 30MM 13MM 8MM 6MM 3090 N 5.98 N.M