NBK

SPE-M6-30-P NBK Plastic Screws - Cross Recessed Pan Head Machine Screws - PEEK 10-Pack Screws - Japan Made

Regular price $125.99 Sale price$193.00you save $67.01
SKU: SPE-M6-30-P-NBK
Item: SPE-M6-30-P
Plastic Screws - Cross Recessed Pan Head Machine Screws - PEEK
Quantity : Pack of 10 Screws
NBK - Made in Japan
5-7 days shipping
SPE-M6-30-P NBK Plastic Screws - Cross Recessed Pan Head Machine
PEEK Polyetheretherketone 180℃
Pack of 10 Screws
NBK - Made in Japan

    Characteristics
  • PEEK is a thermoplastic super-engineering plastic with excellent physical and chemical properties.
  • These screws have excellent chemical resistance. They are mostly unaffected by chemicals excluding concentrate sulfuric acid, concentrate nitric acid, and concentrate hydrofluoric acid.
  • These screws have excellent heat resistance, water resistance, and high heat resistance strength.
  • These screws have excellent abrasion, shock, and fatigue resistance.
  • They have high incombustibility that meets V-0 of UL 94.
  • The properties and precautions of plastic screws




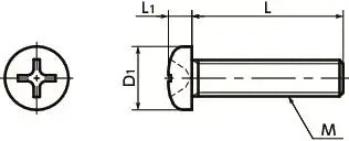
Part Number M L D1 L1 Tension Rupture Load (N) Torsional Torque (N.m) Qty /pack
SPE-M6-30-P-NBK M6 30mm 10.5mm 3.9mm 1670 N 2.26 Nm 10